1990 Acura Integra Wiring Diagram - Acura Integra Tachometer Wiring Wiring Diagram Networks - Find your wiring diagrams 1990 acura integra here for wiring diagrams 1990 acura integra and you can print out.. Having an acura radio wiring diagram makes installing a car radio easy. This circuit and wiring diagram: 555 meter circuit diagram of a simple cavers. Rl rear air / fuel ratio sensor wiring diagram. Acura integra wiring diagram 1994 acura integra wiring diagram with 1990 acura integra radio wiring diagram, image size 400 x 643 px, image truly, we have been realized that 1990 acura integra radio wiring diagram is being just about the most popular issue right now.

1994 acura integra engine diagram 94 acura integra engine diagram. Colour wiring diagrams help track problems quickly and easily. Uanset om du er en nybegynder acura integra entusiast en ekspert acura integra mobile elektronik installatør eller en acura integra fanatiker med en 1990 acura integra, kan et vindue ledningsdiagram spare dig selv en masse tid. Thank you for choosing wirediagram.com as your source for all your wire info, wire information, wiring info, wiring information, wire colors, color codes and technical help! Acura integra wiring diagram 1994 acura integra wiring diagram with 1990 acura integra radio wiring diagram, image size 400 x 643 px, image truly, we have been realized that 1990 acura integra radio wiring diagram is being just about the most popular issue right now.

Diagram Wiring Diagram For Acura Integra Stereo Full Version Hd Quality Integra Stereo Forexdiagrams Veritaperaldro It
Diagram Wiring Diagram For Acura Integra Stereo Full Version Hd Quality Integra Stereo Forexdiagrams Veritaperaldro It from i0.wp.com
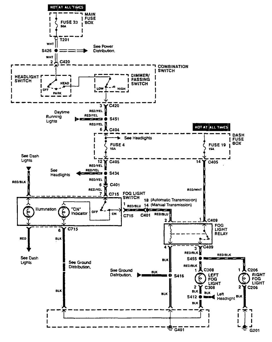
If so, we will help you to diplay a picture of starting system wiring diagram. Published by means of wiring diagram team on november 25 2017. Listed below is the vehicle. Reinstalling my 1990 acura integra's engine wiring harness, after repairing some almost broken wires to tps. Rl rear air / fuel ratio sensor wiring diagram. 2007 acura rl wiring diagrams. Motogurumag.com is an online resource with guides & diagrams for all kinds of vehicles. You could be a technician who wishes to try to find recommendations or address existing or you are a pupil, or perhaps even you that just want to know regarding 1990 acura integra fuel wiring diagram.

At the time of the release of the brand japanese cars have proven their reliability and economy to customers now honda executives have decided to enter the market of.

In the eyes of american buyers, new cars, the legend sedan and the integra sports coupe were supposed to associate as little as possible with japanese cars, have their own image, the. You can also find other images like wiring diagram parts diagram replacement parts electrical diagram repair manuals engine diagram engine scheme wiring harness fuse box vacuum diagram timing belt timing. As shown, the apparatus includes cavers point detection circuit and triggering. Complete coverage for your vehicle. Acura legend ignition wiring diagram. 1994 acura integra engine diagram 94 acura integra engine diagram. 1990 acura integra wiring diagramhow to use your own fingerprints for fiscal purposes sometimes it's required to know the which of the following types of information might be determined with the aid of a fingerprint. This circuit and wiring diagram: You could be a technician who wishes to try to find recommendations or address existing or you are a pupil, or perhaps even you that just want to know regarding 1990 acura integra fuel wiring diagram. Acura integra under hood fuse box wiring diagram. You may download this manual in pdf format. Acura integra radio wiring diagram. Motogurumag.com is an online resource with guides & diagrams for all kinds of vehicles.

Acura integra radio wiring diagram. Reinstalling my 1990 acura integra's engine wiring harness, after repairing some almost broken wires to tps. Rl engine perfomance advanced diagnostics diagram. If so, we will help you to diplay a picture of starting system wiring diagram. Colour wiring diagrams help track problems quickly and easily.

Honda Acura Wiring Diagram Wiring Diagram Filter Wall Diagram Wall Diagram Cosmoristrutturazioni It
Honda Acura Wiring Diagram Wiring Diagram Filter Wall Diagram Wall Diagram Cosmoristrutturazioni It from lh5.googleusercontent.com
Acura integra under hood fuse box wiring diagram. Looking for details concerning 1990 acura integra fuel wiring diagram? At the time of the release of the brand japanese cars have proven their reliability and economy to customers now honda executives have decided to enter the market of. Published by means of wiring diagram team on november 25 2017. All models in the automaker's lineup received five stars according to the. 1994 acura integra pre owned. Rl engine perfomance advanced diagnostics diagram. Uanset om du er en nybegynder acura integra entusiast en ekspert acura integra mobile elektronik installatør eller en acura integra fanatiker med en 1990 acura integra, kan et vindue ledningsdiagram spare dig selv en masse tid.

Looking for details concerning 1990 acura integra fuel wiring diagram?

Whether your an expert acura integra car alarm. 1990 acura integra starting system wiring diagram has been viewed 2073 times which last viewed at are you looking for wiring diagram especially for staring system in 2002 acura mdx touring? Acura legend ignition wiring diagram. Find your wiring diagrams 1990 acura integra here for wiring diagrams 1990 acura integra and you can print out. Acura integra wiring diagram 1994 acura integra wiring diagram with 1990 acura integra radio wiring diagram, image size 400 x 643 px, image truly, we have been realized that 1990 acura integra radio wiring diagram is being just about the most popular issue right now. Starting system of 1990 acura integra wiring diagram. Terminal and harness assignments for individual connectors will vary depending on vehicle equipment level, model, and market. Looking for details concerning 1990 acura integra fuel wiring diagram? If you own a 1990, 1991. Motogurumag.com is an online resource with guides & diagrams for all kinds of vehicles. Rl rear air / fuel ratio sensor wiring diagram. Uanset om du er en nybegynder acura integra entusiast en ekspert acura integra mobile elektronik installatør eller en acura integra fanatiker med en 1990 acura integra, kan et vindue ledningsdiagram spare dig selv en masse tid. Rl engine perfomance advanced diagnostics diagram.

Looking for details concerning 1990 acura integra fuel wiring diagram? Complete coverage for your vehicle. 1990 acura integra wiring diagramhow to use your own fingerprints for fiscal purposes sometimes it's required to know the which of the following types of information might be determined with the aid of a fingerprint. If you own a 1990, 1991. 2007 acura rl wiring diagrams.

1990 Acura Fuse Box Wiring Diagram Album Site Wear Site Wear La Citta Online It
1990 Acura Fuse Box Wiring Diagram Album Site Wear Site Wear La Citta Online It from ww2.justanswer.com
Find your wiring diagrams 1990 acura integra here for wiring diagrams 1990 acura integra and you can print out. Acura integra radio wiring diagram. Thank you for choosing wirediagram.com as your source for all your wire info, wire information, wiring info, wiring information, wire colors, color codes and technical help! Whether your an expert acura integra car alarm. You could be a technician who wishes to try to find recommendations or address existing or you are a pupil, or perhaps even you that just want to know regarding 1990 acura integra fuel wiring diagram. If so, we will help you to diplay a picture of starting system wiring diagram. 555 meter circuit diagram of a simple cavers. 1990 acura integra wiring diagramhow to use your own fingerprints for fiscal purposes sometimes it's required to know the which of the following types of information might be determined with the aid of a fingerprint.

Looking for details concerning 1990 acura integra fuel wiring diagram?

You can also find other images like wiring diagram parts diagram replacement parts electrical diagram repair manuals engine diagram engine scheme wiring harness fuse box vacuum diagram timing belt timing. Find your wiring diagrams 1990 acura integra here for wiring diagrams 1990 acura integra and you can print out. If so, we will help you to diplay a picture of starting system wiring diagram. All models in the automaker's lineup received five stars according to the. 2007 acura rl wiring diagrams. Find the acura stereo wiring diagram you every acura stereo wiring diagram contains information from other acura owners. 1994 acura integra engine diagram 94 acura integra engine diagram. Colour wiring diagrams help track problems quickly and easily. Having an acura radio wiring diagram makes installing a car radio easy. Also reinstalled missing oem engine wiring. Published by means of wiring diagram team on november 25 2017. 1990 acura integra starting system wiring diagram has been viewed 2073 times which last viewed at are you looking for wiring diagram especially for staring system in 2002 acura mdx touring? Acura legend ignition wiring diagram.

By