Volvo 940 Wiring Diagram - Diagram 1995 Volvo 940 Engine Diagram Wiring Schematic Full Version Hd Quality Wiring Schematic Diagramcooph Avvocatomariazingaropoli It : Free download workshop manuals for volvo cars, repair and maintenance, wiring diagrams, schematics diagrams, fault codes, part manuals.. Forums > automotive forum > auto repair & workshop manuals > volvo >. Tensioners) should be replaced approximately every ten years and that the other components in the system (wiring. Торговля запчастями volvo более 20 лет собственый техцентр по ремонту volvo огромный выбор новых и бу запчастей вольво в москве Terminal and harness assignments for individual connectors will vary depending on vehicle equipment level In the given manual are included the complete electrocircuits, locations of the relay and fuses, pin assignments for all sockets, circuit of an locations.

The program volvo ewd (electronic wiring diagram) contains the electrical circuits for automobiles volvo current models from 2004 to 2010 year. 26 wiring harness and connectors overview, rhd cars. Volvo trucks mid fault codes. Volvo s40 2016 owner's manual. Download volvo 940 1994 wiring diagram.

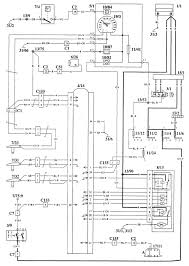
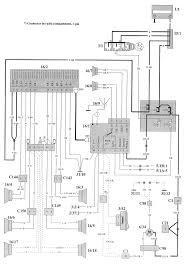
Diagram Volvo 940 A C Wiring Diagram Full Version Hd Quality Wiring Diagram Schematicfile2e Angelux It
Diagram Volvo 940 A C Wiring Diagram Full Version Hd Quality Wiring Diagram Schematicfile2e Angelux It from www.corral.net
Documents similar to volvo 940 1994 wiring diagram. Discussion in 'volvo' started by polo, jan 7, 2014. 27 harness placement in 78 how to use the diagrams. We trust that you will enjoy many years of safe driving in your volvo, an automobile designed with your safety and comfort in mind. Forums > automotive forum > auto repair & workshop manuals > volvo >. Volvo s40 2016 owner's manual. Preview of volvo 940 1993 sch 2nd page click on the link for free download! Volvo truck fault codes pdf;

Documents similar to volvo 940 1994 wiring diagram.

Please tick the box below to get download link Volvo truck wiring diagrams pdf; Tensioners) should be replaced approximately every ten years and that the other components in the system (wiring. On this page you can free download workshop repair manuals pdf for volvo trucks, and also fault codes pdf and wiring diagrams. Volvo trucks mid fault codes. Free download workshop manuals for volvo cars, repair and maintenance, wiring diagrams, schematics diagrams, fault codes, part manuals. Forums > automotive forum > auto repair & workshop manuals > volvo >. 83%(6)83% found this document useful (6 votes). Download volvo 940 electrical wiring diagrams on autorepmans Download volvo 940 1994 wiring diagram. 2 ignition lock and central electrical unit, fuses and relays. Check out our popular volvo 940 manuals below frame contained pdf file, click here to view ● ● ● ● ● ● ● ● ● srs warning content how to use the wiring diagram 1:2, 2:2 electrical distribution unit, fuses fuses ignition lock and relay location in engine compartment relay location, electrical dist. Торговля запчастями volvo более 20 лет собственый техцентр по ремонту volvo огромный выбор новых и бу запчастей вольво в москве

Volvo fh12 fh16 rhd wiring diagramc wiring diagram.pdf. Volvo truck workshop manual free download pdf. Volvo trucks mid fault codes. This manual deals with the operation and care of your volvo. Volvo s40 2016 owner's manual.

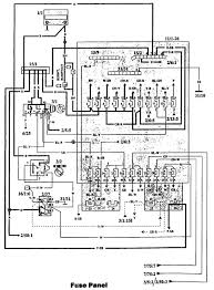
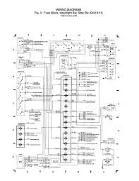
Diagram Wiring Diagram Volvo 940 Se Full Version Hd Quality 940 Se Diagramarrons Brunisport It
Diagram Wiring Diagram Volvo 940 Se Full Version Hd Quality 940 Se Diagramarrons Brunisport It from txautonet.com
Volvo truck fault codes pdf; Volvo workshop & service manuals, fault codes and wiring diagrams pdf. Volvo truck wiring diagrams pdf; Volvo fh12 fh16 rhd wiring diagramc wiring diagram.pdf. The program volvo ewd (electronic wiring diagram) contains the electrical circuits for automobiles volvo current models from 2004 to 2010 year. Discussion in 'volvo' started by polo, jan 7, 2014. Free download workshop manuals for volvo cars, repair and maintenance, wiring diagrams, schematics diagrams, fault codes, part manuals. 26 wiring harness and connectors overview, rhd cars.

Volvo truck wiring diagrams pdf;

Please tick the box below to get download link Free download workshop manuals for volvo cars, repair and maintenance, wiring diagrams, schematics diagrams, fault codes, part manuals. Savesave volvo 940 1994 wiring diagram for later. Volvo fh12 fh16 rhd wiring diagramc wiring diagram.pdf. 2 ignition lock and central electrical unit, fuses and relays. Download volvo 940 electrical wiring diagrams on autorepmans 27 harness placement in 78 how to use the diagrams. Volvo trucks mid fault codes. 1992 fog lamps version 1 version 2 warning: The program volvo ewd (electronic wiring diagram) contains the electrical circuits for automobiles volvo current models from 2004 to 2010 year. Download volvo 940 1994 wiring diagram. Forums > automotive forum > auto repair & workshop manuals > volvo >. Volvo s40 2016 owner's manual.

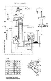
Terminal and harness assignments for individual connectors will vary depending on vehicle equipment level wiring diagram volvo 940 1994 wiring diagram. Volvo s40 2016 owner's manual. This manual deals with the operation and care of your volvo. Page 12 1993 volvo 940 set the function dial to position 2 and the function selector to of snow.

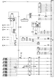
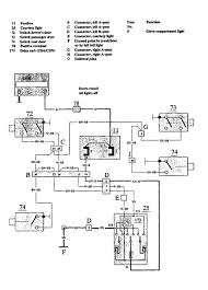
Volvo 940 1995 Wiring Diagrams
Volvo 940 1995 Wiring Diagrams from img.yumpu.com
Check out our popular volvo 940 manuals below frame contained pdf file, click here to view ● ● ● ● ● ● ● ● ● srs warning content how to use the wiring diagram 1:2, 2:2 electrical distribution unit, fuses fuses ignition lock and relay location in engine compartment relay location, electrical dist. Volvo workshop & service manuals, fault codes and wiring diagrams pdf. We trust that you will enjoy many years of safe driving in your volvo, an automobile designed with your safety and comfort in mind. 27 harness placement in 78 how to use the diagrams. Volvo truck wiring diagrams pdf; Discussion in 'volvo' started by polo, jan 7, 2014. Please tick the box below to get download link Documents similar to volvo 940 1994 wiring diagram.

wiring diagram volvo 940 1994 wiring diagram.

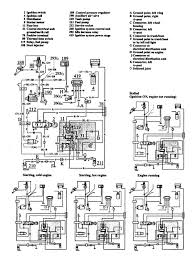
Forums > automotive forum > auto repair & workshop manuals > volvo >. Download volvo 940 electrical wiring diagrams on autorepmans Terminal and harness assignments for individual connectors will vary depending on vehicle equipment level Documents similar to volvo 940 1994 wiring diagram. 2 ignition lock and central electrical unit, fuses and relays. Торговля запчастями volvo более 20 лет собственый техцентр по ремонту volvo огромный выбор новых и бу запчастей вольво в москве Volvo workshop & service manuals, fault codes and wiring diagrams pdf. Tensioners) should be replaced approximately every ten years and that the other components in the system (wiring. Preview of volvo 940 1993 sch 2nd page click on the link for free download! The program volvo ewd (electronic wiring diagram) contains the electrical circuits for automobiles volvo current models from 2004 to 2010 year. This manual contains schematic electrical wiring volvo 940 release since 1994, also shows an external view of the main components of the electrical system and their location in the vehicle. Volvo trucks mid fault codes. Savesave volvo 940 1994 wiring diagram for later.

By