2000 Cadillac Deville Wiring Diagram : I Have A 1999 Cadillac Deville Charging System Issue Battery Replaced Alternator Replaced While Car Is Running 12 0 : 1979 cadillac deville and fleetwood foldout wiring diagrams original.. Therefore, to reduce the risk of personal injury when working near a battery. It can cause unconsciousness and even death. We have 60 cadillac deville manuals covering a total of 54 years of production. You can't see or smell co. Part number 25711109 a first edition.

Diagrams for the following systems are included. ℹ️ download cadillac 2000 deville manuals (total manuals: Download and view your free pdf file of the 2000 cadillac deville owner manual on our comprehensive online database of automotive owners manuals. Electrical components such as lights, heated seats and radios all have fuses in your 2004 cadillac deville dts 4.6l v8. Hook up jumpers thinking it needed a jump start car will turn over and crank but just wont fire up completel.

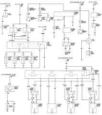
2000 Cadillac Deville Fuse Box Wiring Diagram Schema Gear Energy Gear Energy Atmosphereconcept It
2000 Cadillac Deville Fuse Box Wiring Diagram Schema Gear Energy Gear Energy Atmosphereconcept It from ww2.justanswer.com
Hook up jumpers thinking it needed a jump start car will turn over and crank but just wont fire up completel. If you must drive with the trunk lid open or if electrical wiring or other cable connections must pass through the seal between the body and the trunk lid 2. We have 10 cadillac vehicles diagrams, schematics or service manuals to choose from, all free to download! It can cause unconsciousness and even death. You can't see or smell co. 2000 cadillac of a picture i get directly from the 2001 cadillac deville fuse box diagram collection. Detailed cadillac deville engine and associated service systems (for repairs and overhaul) (pdf). 1979 cadillac deville and fleetwood foldout wiring diagrams original.

Wiring diagrams, spare parts catalogue, fault codes free download.

We have 60 cadillac deville manuals covering a total of 54 years of production. Find more compatible user manuals for 2000 deville automobile device. This information outlines the wires location, color and polarity to help you identify the proper connection spots in the vehicle. When i turn the key the engine wont turn over and when i do turn the key all the way the dashboard lights all turn off. Download and view your free pdf file of the 2000 cadillac deville owner manual on our comprehensive online database of automotive owners manuals. Wiring diagram for 2004 cadillac deville wiring diagram tri. Read reviews, browse our car inventory, and more. If you already bought a cadillac 2000 deville or just going to purchase it, it will be very useful to familiarize yourself with the instructions for its useing. Colour wiring diagrams help track. Deville.pdf 2000 cadillac deville 2000 cadillac deville owner's manual. This video demonstrates the cadillac deville complete wiring diagrams and details of the wiring harness. Buy cadillac deville parts online at partsgeek. Wiring diagrams, spare parts catalogue, fault codes free download.

Electrical components such as lights, heated seats and radios all have fuses in your 2004 cadillac deville dts 4.6l v8. If you must drive with the trunk lid open or if electrical wiring or other cable connections must pass through the seal between the body and the trunk lid 2. Wiring diagram for 2004 cadillac deville wiring diagram tri. Back to the old car manual project. Hook up jumpers thinking it needed a jump start car will turn over and crank but just wont fire up completel.

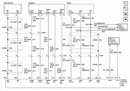
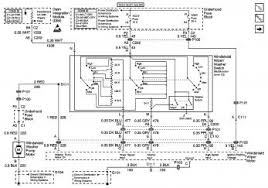
Cadillac Deville Fuse Box Location Wiring Diagrams Auto Meet Join Meet Join Moskitofree It
Cadillac Deville Fuse Box Location Wiring Diagrams Auto Meet Join Meet Join Moskitofree It from static.cargurus.com
ℹ️ download cadillac 2000 deville manuals (total manuals: The video above shows how to replace blown fuses in the interior fuse box of your 2004 cadillac deville in addition to the fuse panel diagram location. Download and view your free pdf file of the 2000 cadillac deville owner manual on our comprehensive online database of automotive owners manuals. 2) for free in pdf. Find the jacking location from the diagrams above and corresponding cutouts in the plastic molding. 2001 cadillac deville owner's manual. Therefore, to reduce the risk of personal injury when working near a battery. If you must drive with the trunk lid open or if electrical wiring or other cable connections must pass through the seal between the body and the trunk lid 2.

It can cause unconsciousness and even death.

1965 cadillac series 6062 2 278 kb. We reserve the right to make changes in the product after that time without. This information outlines the wires location, color and polarity to help you identify the proper connection spots in the vehicle. Buy cadillac deville parts online at partsgeek. 2000 cadillac of a picture i get directly from the 2001 cadillac deville fuse box diagram collection. Deville.pdf 2000 cadillac deville 2000 cadillac deville owner's manual. Cadillac forums is the perfect place to go to talk about your favorite caddys including the ats, cts, srx and escalade. Part number 25711109 a first edition. Every cadillac stereo wiring diagram contains information from other cadillac owners. So that i can install an aftermarket stereo and speakers. Find the jacking location from the diagrams above and corresponding hoisting notches located in. 1979 cadillac deville and fleetwood foldout wiring diagrams original. This video demonstrates the cadillac deville complete wiring diagrams and details of the wiring harness.

Download and view your free pdf file of the 2000 cadillac deville owner manual on our comprehensive online database of automotive owners manuals. Back to the old car manual project. Part number 25711109 a first edition. The video above shows how to replace blown fuses in the interior fuse box of your 2004 cadillac deville in addition to the fuse panel diagram location. Detailed features and specs for the used 2000 cadillac deville including fuel economy, transmission, warranty, engine type, cylinders, drivetrain and more.

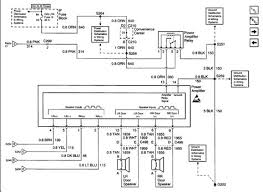
2000 Cadillac Deville Stereo Wiring Diagrams Wiring Diagram System Flu Image A Flu Image A Ediliadesign It
2000 Cadillac Deville Stereo Wiring Diagrams Wiring Diagram System Flu Image A Flu Image A Ediliadesign It from www.2carpros.com
Buy cadillac deville parts online at partsgeek. It reveals the elements of the circui. Electrical components such as lights, heated seats and radios all have fuses in your 2004 cadillac deville dts 4.6l v8. Part number 25711109 a first edition. If you must drive with the trunk lid open or if electrical wiring or other cable connections must pass through the seal between the body and the trunk lid 2. So that i can install an aftermarket stereo and speakers. If you already bought a cadillac 2000 deville or just going to purchase it, it will be very useful to familiarize yourself with the instructions for its useing. Deville.pdf 2000 cadillac deville 2000 cadillac deville owner's manual.

If you must drive with the trunk lid open or if electrical wiring or other cable connections must pass through the seal between the body and the trunk lid 2.

Wiring diagrams, spare parts catalogue, fault codes free download. 2) for free in pdf. Find the jacking location from the diagrams above and corresponding cutouts in the plastic molding. View and download cadillac 2000 deville owner's manual online. Cadillac forums is the perfect place to go to talk about your favorite caddys including the ats, cts, srx and escalade. Diagrams for the following systems are included. We have 60 cadillac deville manuals covering a total of 54 years of production. 2001 cadillac deville owner's manual. This information outlines the wires location, color and polarity to help you identify the proper connection spots in the vehicle. Back to the old car manual project. If you must drive with the trunk lid open or if electrical wiring or other cable connections must pass through the seal between the body and the trunk lid 2. 1973 cadillac deville wiring diagram 129 kb. Find the jacking location from the diagrams above and corresponding hoisting notches located in.

By